欢迎访问斯凯恩传动科技(上海)有限公司网站 !
所属栏目:NTN轴承
联系邮箱:403397999@QQ.COM
联系地址:上海市奉贤区金大公路8218号1幢
产品介绍:NTN圆锥滚子轴承是指滚动体为圆锥滚子的径向推力式滚动轴承。有小锥角和大锥角两种。小锥角主要承受以径向载荷为主的径向和轴向联合载荷,常成双使用,反向安装,内外座圈可分别安装,在安装使用中可调整径向和轴向游隙;大锥角主要承受以轴向载荷为主的轴向和径向联合载荷,一般不单独用来承受纯轴向载荷,当成对配置(...
咨询电话:15900864567

NTN圆锥滚子轴承是指滚动体为圆锥滚子的径向推力式滚动轴承。有小锥角和大锥角两种。小锥角主要承受以径向载荷为主的径向和轴向联合载荷,常成双使用,反向安装,内外座圈可分别安装,在安装使用中可调整径向和轴向游隙;大锥角主要承受以轴向载荷为主的轴向和径向联合载荷,一般不单独用来承受纯轴向载荷,当成对配置(同名端相对安装)时可用以承受纯径向载荷。
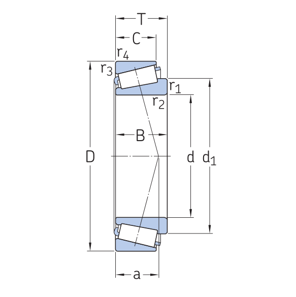
定义
单列圆锥滚子轴承承受轴向负荷的能力取决于接触角,即外圈滚道角度,角度越大,轴向负荷能力也越大。圆锥滚子轴承中用量多的是单列圆锥滚子轴承。在轿车的前轮轮毂中,用上了小尺寸的双列圆锥滚子轴承。四列圆锥滚子轴承用在大型冷、热轧机等重型机器中。
结构特点
圆锥滚子轴承的类型代号为30000,圆锥滚子轴承为分离型轴承。一般情况下,尤其是在GB/T307.1-94《滚动轴承 向心轴承公差》中所涉及到的尺寸范围内的圆锥滚子轴承外圈与内组件之间是百分之百可以通用互换使用的。
外圈的角度以及外滚道直径尺寸已与外形尺寸相同被标准化规定了。不允许在设计制造时更改。以致使圆锥滚子轴承的外圈与内组件之间可在世界范围内通用互换。
圆锥滚子轴承主要用于承受以径向载荷为主的径向与轴向联合载荷。与角接触球轴承相比、承载能力大,极限转速低。圆锥滚子轴承能够承受一个方向的轴向载荷,能够限制轴或外壳一个方向的轴向位移。