欢迎访问斯凯恩传动科技(上海)有限公司网站 !
所属栏目:FAG轴承
联系邮箱:403397999@QQ.COM
联系地址:上海市奉贤区金大公路8218号1幢
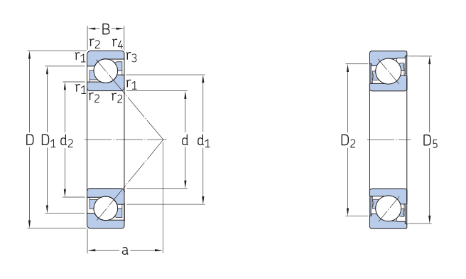
产品介绍:角接触球轴承可同时承受径向负荷和轴向负荷。能在较高的转速下工作。接触角越大,轴向承载能力越高。高精度和高速轴承通常取15 度接触角。...
咨询电话:15900864567

角接触球轴承可同时承受径向负荷和轴向负荷。能在较高的转速下工作。接触角越大,轴向承载能力越高。高精度和高速轴承通常取15 度接触角。在轴向力作用下,接触角会增大。
单列角接触球轴承只能承受一个方向的轴向负荷,在承受径向负荷时,将引起附加轴向力。 并且只能限制轴或外壳在一个方向的轴向位移。角接触球轴承的接触角为40度,因此可以承受很大的轴向负荷。角接触球轴承是非分离型的设计,内外圈的两侧的肩部高低不一。为了提高轴承的负载能力,会把其中一侧的肩部加工得较低,从而让轴承可装进更多的钢球。
双列角接触球轴承能承受较大的径向负荷为主的径向和轴向联合负荷和力矩负荷,限制轴的两方面的轴向位移。主要用于限制轴和外壳双向轴向位移的部件中双列角接触球轴承内、外圈之间的可倾斜性有限,允许倾斜角取决于轴承的内部间隙、轴承尺寸、内部设计及作用于轴承上的力和力矩,而允许倾斜角应保证轴承内不会产生过高的附加应力。若轴承内、外圈之间存在倾斜角,将影响轴承的寿命,同时造成轴承运转精度下降,运转噪声增大。
双列角接触球轴承一般采用尼龙保持架或黄铜实体保持架。双列角接触球轴承安装时应注意,虽然轴承可承受双向轴向载荷,但若一侧有装球缺口时,则应注意不要让主要轴向载荷通过有缺口的一侧沟边。在轴承使用时应注意使不带装球缺口的一侧滚道承受主要载荷。