欢迎访问斯凯恩传动科技(上海)有限公司网站 !
所属栏目:FAG轴承
联系邮箱:403397999@QQ.COM
联系地址:上海市奉贤区金大公路8218号1幢
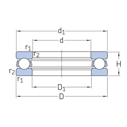
产品介绍:推力球轴承采用高速运转时可承受推力载荷的设计,由带有球滚动的滚道沟的垫圈状套圈构成。由于套圈为座垫形,因此,推力球轴承被分为平底座垫型和调心球面座垫型两种类型。另外,这种轴承可承受轴向载荷,但不能承受径向载荷。...
咨询电话:15900864567

推力球轴承采用高速运转时可承受推力载荷的设计,由带有球滚动的滚道沟的垫圈状套圈构成。由于套圈为座垫形,因此,推力球轴承被分为平底座垫型和调心球面座垫型两种类型。另外,这种轴承可承受轴向载荷,但不能承受径向载荷。
按受力情况分单向推力球轴承和双向推力球轴承。单向推力球轴承,可承受单向轴向负荷,双向推力球轴承,可承受双向轴向负荷,其中轴圈与轴配合。座圈的安装面呈球面的轴承,具有调心性能,可以减少安装误差的影响。推力球轴承不能承受径向负荷,极限转速较低。
特点
1. 备有单向、双向两种类型
2. 为了容许有安装误差,无论是单向还是双向,都可以选择球面调心球面座垫型或带球面座圈型。
3. 优质钢 ― 采用可使轴承寿命延长80%的超清洁钢
4. 高度的润滑脂技术 ― 可使润滑脂的寿命延长并提高轴承的性能
5. 高品位钢球 ― 高速转动时安静且顺畅
6. 利用选件中的套圈,可容许有安装误差。
推力球轴承只适用于承受一面轴向负荷、转速较低的机件上,例如起重机吊钩、立式水泵、立式离心机、千斤顶、低速减速器等。轴承的轴圈、座圈和滚动体是分离的,可以分别装拆。