欢迎访问斯凯恩传动科技(上海)有限公司网站 !
所属栏目:FAG轴承
联系邮箱:403397999@QQ.COM
联系地址:上海市奉贤区金大公路8218号1幢
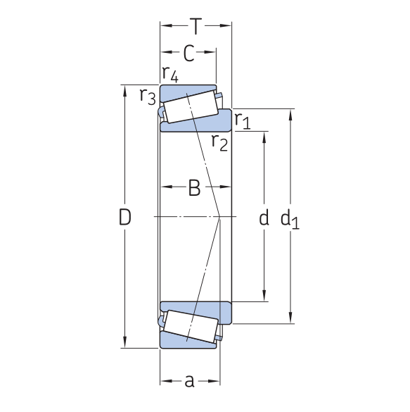
产品介绍:圆锥滚子轴承主要用于承受以径向载荷为主的径向与轴向联合载荷。与角接触球轴承相比、承载能力大,极限转速低。...
咨询电话:15900864567

圆锥滚子轴承主要用于承受以径向载荷为主的径向与轴向联合载荷。与角接触球轴承相比、承载能力大,极限转速低。圆锥滚子轴承能够承受一个方向的轴向载荷,能够限制轴或外壳一个方向的轴向位移。
单列圆锥滚子轴承有一个外圈,其内圈和一组锥形滚子由筐形保持架包罗成的一个内圈组件。外圈可以和内圈组件分离,按照ISO圆锥滚子轴承外形尺寸标准的规定,任何一个标准型号的圆锥滚子轴承外圈或内圈组件应能和同型号外圈或内圈组件实现国际性互换。
通常,单列圆锥滚子轴承外圈滚道的圆锥角在10°~19°之间,能够同时承受轴向载荷和径向载荷的联合作用。锥角愈大,承受轴向载荷的能力也愈大。大圆锥角的轴承,后置代号加B,锥角在25°~29°之间,它可承受较大的轴向载荷。另外,单列圆锥滚子轴承可以在安装过程中调整游隙的大小。