欢迎访问斯凯恩传动科技(上海)有限公司网站 !
所属栏目:TIMKEN轴承
联系邮箱:403397999@QQ.COM
联系地址:上海市奉贤区金大公路8218号1幢
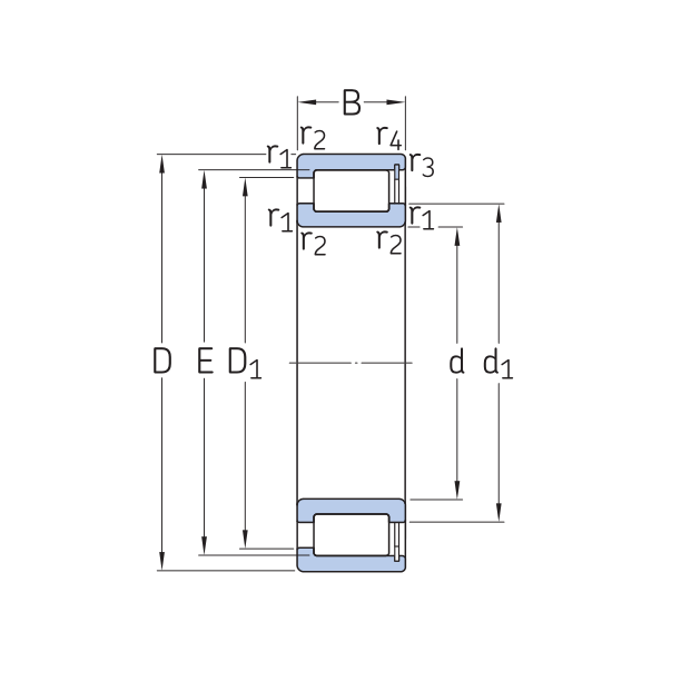
产品介绍:TIMKEN圆柱滚子轴承设计用于高径向负荷或甚至伴随有偏心、润滑不当、有杂质、转速极高或极高应力的环境下。 相较于其他形式的滚子轴承,圆柱轴承可承载高径向负荷,具有三种基本类型,以满足各种应用需求。...
咨询电话:15900864567

TIMKEN圆柱滚子轴承设计用于高径向负荷或甚至伴随有偏心、润滑不当、有杂质、转速极高或极高应力的环境下。
相较于其他形式的滚子轴承,圆柱轴承可承载高径向负荷,具有三种基本类型,以满足各种应用需求。
TIMKEN单列圆柱轴承
单列带保持架圆柱轴承具有六种不同的设计,多种内外圈配置满足不同应用需求。
TIMKEN双列圆柱轴承
双列圆柱轴承比传统的单列轴承具有更高的径向负载能力。
TIMKEN四列圆柱轴承
四列圆柱轴承的径向负载能力极高,但无推力负载能力。该类型轴承大多使用于金属轧制工业的轧辊颈应用场合。
轴承应用
大中型电动机、机车车辆、机床主轴、内燃机、发电机、燃气涡轮机、减速箱、轧钢机、振动筛以及起重运输机械等。