欢迎访问斯凯恩传动科技(上海)有限公司网站 !
所属栏目:NACHI轴承
联系邮箱:403397999@QQ.COM
联系地址:上海市奉贤区金大公路8218号1幢
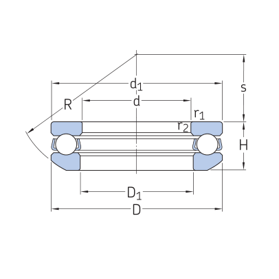
产品介绍:NACHI推力球轴承是分离型轴承,根据其结构形式分为单向推力球和双向推力球轴承。单向推力球轴承可承受一个方向的轴向载荷,双向推力球轴承可承受两个方向的轴向载荷。它们均不能承受径向载荷。推力球轴承还有带座垫的结构,由于座垫的安装面呈球面形,故轴承具有调心性能,可以减少安装误差的影响。推力球轴承主要应用...
咨询电话:15900864567

NACHI推力球轴承是分离型轴承,根据其结构形式分为单向推力球和双向推力球轴承。单向推力球轴承可承受一个方向的轴向载荷,双向推力球轴承可承受两个方向的轴向载荷。它们均不能承受径向载荷。推力球轴承还有带座垫的结构,由于座垫的安装面呈球面形,故轴承具有调心性能,可以减少安装误差的影响。推力球轴承主要应用于汽车、机床等行业。
NACHI推力球轴承大致可分为两种类型:
单向推力球轴承
双向推力球轴承
单向推力球轴承:
包括一个轴圈、一个座圈和钢球-保持架组件。轴承可分离,轴圈、座圈、钢球-保持架组件可单独安装。可分三种型式:
带平面座圈推力球轴承
带调心座圈推力球轴承
带调心座圈和调心座垫圈推力球轴承
单向推力球轴承主要用来承受单向轴向载荷,并能作单方向的轴向定位。
双向推力球轴承:
包括一个轴圈、二个座圈、一个中轴圈和钢球-保持架组件。轴承可分离,轴圈、座圈、钢球-保持架组件可单独安装。可分三种型式:
带平面座圈推力球轴承
带调心座圈推力球轴承
带调心座圈和调心座垫圈推力球轴承
双向推力球轴承轴承可承受双向轴向载荷,并作双向轴向定位。